Oil Mill - OilSep


COALESCING CLARIFIER (OILSEP) – 1ST GENERATION (INDONESIA)

2 units designed for 60 tonnes FFB/hr operating as primary clarifier. Matererial of construction: SS316 inserts and mild steel casing with Insulation, temperature control and flow control

COALENCING CLARIFIER (OILSEP) AT VICHITBHAN OIL MILL

COALESCING CLARIFIER (OILSEP) AT VICHITBHAN OIL MILL

  • OILSEP utilizes coalescing principle to enhance Stokes gravity settling. It helps in aggregating small droplets resulted as a results emulsification of crude oil slurry – BETTER OIL RECOVERY IN SHORT RETENTION TIME
  • It comply to the requirement of Code of Good Milling Practices for palm oil milling (MPOB) as all parts in contact with oil are made of SS

Oil Mill - Waste Water


Existing Technologies Available:

  1. DAF System.
  2. Activated Sludge System.
  3. Aerated Lagoon System.
  4. Aerated Clarification Setting Tanks.
  5. Biological Media System.

So far NONE of the above systems, CAN GUARANTEED BOD < 20 ppm CONSISTENTLY.

Recently a new method called the BCMM TECHNOLOGY has been R&D in MPOB LABU MILL (AUG 2010- FEB 2011) & in NERAM FELDA MILL(JAN-AUG 2012), shows PROMISING and CONSISTENT results.

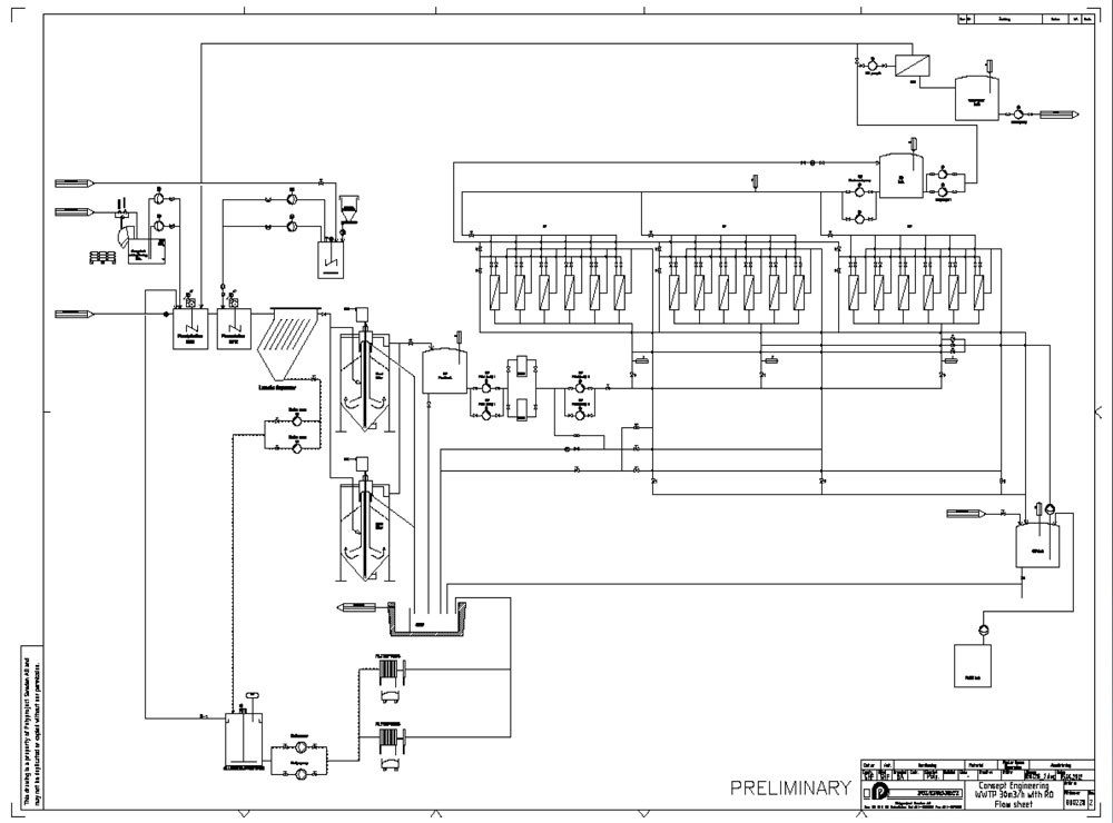
BCMM TERTIARY POLISHING PLANT

THE SYSTEM CONSISTS OF
  • Biological Method
  • Aeration
  • Chemical Method
  • Flocculation/Polymer
  • Mechanical Method
  • amella Separator
  • Continuous Sand Filter
  • Membrane Method
  • UF Technology

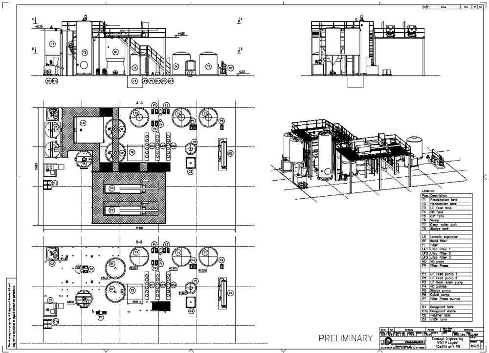
Polishing Plant

Polishing Plant Layout

Commercial Polishing Plant for Waste Water

Oil Mill - Pellet


A BUSINESS PROPOSAL FOR MANUFACTURING BIO MASS PELLETS FROM PALM OIL MILL WASTE.

THE PELLETING PROCESS

Is this Bio Mass Pellets business Viable???

Do we have the raw waste material?
Malaysia has 25 million tons of EFB waste every year. We have indeed, found a very suitable industrial land of 7 acres in Parit Sulong Johor for the plant.. This area is surrounded by 5 Palm Oil Mills, within a radius of 25-30 kilometers from the plant. The surrounding mills can give us a yearly supply of 600,000 tons of EFB waste. Our plant only needs 330,000 tons per year. We indeed have ample supply.

Do we have the Technology and Management skills?
Pelleting Technology is available worldwide. We can source this technology from China, Japan, USA and Europe. However, we are working closely with a reputable China company, who have supplied many pelletizing plants in Malaysia, Indonesia and Thailand for wood pellets, rice stalk pellets and oil palm pellets.